
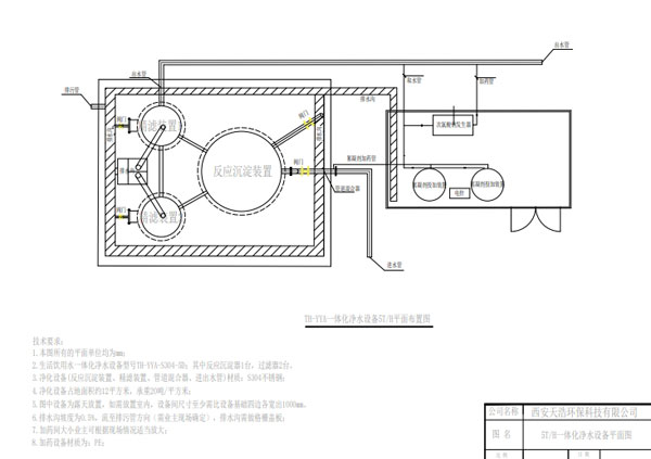
《農村安全飲水10T/H一體化凈水設備工藝及施工圖紙》全文共184個字,預計閱讀時長1分鐘。主要講述:衣村安全飲水項目10T/H一體化凈水設備處理工藝及設備安裝施工圖pdf、cad圖紙,包含10T/H一體化凈水設備安裝平面圖、高程圖、工藝流程圖、產品參數、設備選型參數表等,可供衣村安全飲水項目設計單位(院...
衣村安全飲水項目10T/H一體化凈水設備處理工藝及設備安裝施工圖pdf、cad圖紙,包含10T/H一體化凈水設備安裝平面圖、高程圖、工藝流程圖、產品參數、設備選型參數表等,可供衣村安全飲水項目設計單位(院)、水處理設計師參考使用。

【圖紙】下載鏈接地址:10T`H一體化凈水設備工藝設計圖
【技術參數與性能指標】下載鏈接地址:10噸·小時凈水系統設計【技術參數與性能指標】